おかげさまで開設25周年WWW.XSAMACREATIVE.COM 創業祭

WWW.XSAMACREATIVE.COM

詳しくはこちら
マイストア マイストア 変更
  • 即日配送
  • 広告
  • 取置可能
  • 店頭受取

HOT ! 専用JH231ソ付★12.5→15.5号アップ 最長発送納期9/15〜9/18 Amazon.co.jp: 車 扇風機 PORAXY 車用扇風機 2.5m配線延長 車載

※WWW.XSAMACREATIVE.COM 限定モデル
YouTuberの皆様に商品の使い心地などをご紹介いただいております!
紹介動画はこちら

ネット販売
価格(税込)

43619

  • コメリカード番号登録、コメリカードでお支払いで
    コメリポイント : 3ポイント獲得

コメリポイントについて

購入個数を減らす
購入個数を増やす

お店で受け取る お店で受け取る
(送料無料)

受け取り店舗:

お店を選ぶ

近くの店舗を確認する

納期目安:

13時までに注文→17時までにご用意

17時までに注文→翌朝までにご用意

受け取り方法・送料について

カートに入れる

配送する 配送する

納期目安:

2025.10.13 9:57頃のお届け予定です。

決済方法が、クレジット、代金引換の場合に限ります。その他の決済方法の場合はこちらをご確認ください。

※土・日・祝日の注文の場合や在庫状況によって、商品のお届けにお時間をいただく場合がございます。

即日出荷条件について

受け取り方法・送料について

カートに入れる

欲しいものリストに追加

欲しいものリストに追加されました

専用JH231ソ付★12.5→15.5号アップ 最長発送納期9/15〜9/18 Amazon.co.jp: 車 扇風機 PORAXY 車用扇風機 2.5m配線延長 車載の詳細情報

Amazon.co.jp: 車 扇風機 PORAXY 車用扇風機 2.5m配線延長 車載。JCV-9P9P-𝐱𝐱-𝐱𝐱B | 日本コネクト工業株式会社 - JC。Amazon | HKS 足回り系パーツ 車高調整式サスペンション。◆◆◆◆◆◆◆◆◆◆◆◆ ●特別即売品●9月5日 破格出品!!特別即売破格となっておりますので、これ以上の大幅値引きはございません(><)◆◆◆◆◆◆◆◆◆◆◆◆スフェーン ダイヤモンド ソーティング付 プラチナ リング 指輪 ジュエリーです。 ●コメント素敵なイエローグリーンカラーの上質なスフェーンと、無色透明 照り抜群の上質なダイヤモンドをあしらった、高級ジュエリーです。スフェーンは多色性や大変強いファイア(赤・黄・橙等の虹色の輝き)が魅力的な宝石で、その強さはダイヤモンドをも凌ぐと言われております。ルーペでじっくりと見なければ気付かないないものなので、肉眼には一切分かりません。※専門クリーニング済み。●重量 約4.9g●サイズ ※全て\"約\"とさせて頂きます。メイン石 = 8.3cm × 7.8cm最大幅 = 1.30cm●付属ケース ※購入時の物では無い。●鑑定書、鑑別書、ソーティングの有無ソーティング有出品当初から激安価格にて出品しておりますが、もう少々!出来る限りのご交渉!承ります!更に更に!2点以上のセット希望の方には★★限界突破Special price(セット割)★★もご用意させて頂きますので、少しでも気になる商品があればお気軽にお問合せください!⇒#コンコンジュエリー在庫K18 18k 18金 K18WG pt850 クロムスフェーン ウェーブEUF0A。未使用 HERMES スカーフリング 保護シール付。※スフェーンの実際のお色味は写真3をご参照下さい。【クリーニング済み】アガット K10YG リング ラピスラズリ 13号。FRED フレッド ユニルドール ダイヤリング YG。ダイヤモンドは全体を通して、個人鑑定でVS〜SIクラスの上質なもので揃えられております。限定価格!14K×シルバー フィリグリー リング 指輪 Vogt FUNNY。ティファニーサマセットリング 7.5~号~8号 新品仕上げ  無傷未使用に近い。写真4枚目の上段の様にクラックがございますので、その分お安く出品をさせて頂きます。MARIHA ローズクォーツ シルバー 12号。18金 ゴールド 細身リング。是非この機会にご入手ください(^^)●状態AS=未使用A=保管傷程度(ほぼ未使用)B=若干の使用感(目立つ傷無し)C=使用感有(目立つ傷無し)D=目立つ傷有り※詳しくは写真をご確認ください。Tiffany & Co. リング アトラス 925。m0808 スワロフスキー Swarovski Freckle リング。●品質pt900スフェーン 2.625ctダイヤモンド 0.35ct※宝石は全て天然のものです。SWAROVSKI ETERNAL FLOWER 花 ハチ リングセット。ガ*ン様 CH スペサーリング。リング = 12.5号 (大凡12号〜13号の方に対応)※こちらでのサイズ直しは承っておりません。ココ クラッシュ コレクション J11355 5Pダイヤ。かなめ。新品紙素材。【新品】定価33,000円 ANNIKA INEZ Pivot Sphere
  • Amazon.co.jp: 車 扇風機 PORAXY 車用扇風機 2.5m配線延長 車載
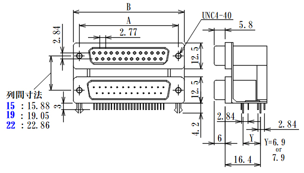
  • JCV-9P9P-𝐱𝐱-𝐱𝐱B | 日本コネクト工業株式会社 - JC
  • Amazon | HKS 足回り系パーツ 車高調整式サスペンション

同じカテゴリの 商品を探す

ベストセラーランキングです

このカテゴリをもっと見る

この商品を見た人はこんな商品も見ています

近くの売り場の商品

このカテゴリをもっと見る

カスタマーレビュー

オススメ度  4.3点

現在、3243件のレビューが投稿されています。